
Двухрядный радиально-упорный шариковый подшипник
По умолчанию
Подшипники серии 30 (2Z, 2RS)Подшипники данной серии являются радиально-упорными и способны одновременно нести радиальную и осевую нагрузку в обоих направлениях. Подшипники производятся в открытом и закрытом исполнении. 2Z – бесконтактные уплотнения, которые защищают подшипник от крупных загрязнений. При этом наличие уплотнений не снижает предельную скорость подшипника. 2RS – контактные уплотнения, которые отлично защищают подшипник от любых загрязнений и влаги. Максимальная скорость таких подшипников ниже, чем у открытых подшипников или закрытых 2Z. Все закрытые подшипники смазаны на весь срок службы, то есть нет необходимости в их техобслуживании. Рабочая температура открытых подшипников от -30°С до +150°С. Рабочая температура закрытых подшипников от -30°С до +110°С. Ограничения температуры связаны с материалом уплотнений (2RS) и составом смазки. Сепараторы изготавливаются из полиамида.
Подшипники серии 3200-5200 (ZZ, 2RS)Данные подшипники являются радиально-упорными, то есть они способны нести одновременно радиальную и осевую нагрузку. Подшипники закрыты контактными резинометаллическими уплотнениями (2RS). Альтернативные маркировки уплотнений разных производителей: 2RSR, 2RS1, 2HRS, EE, LLU и др. Сепараторы, в основном, полиамидные. Очень редко устанавливаются стальные сепараторы. Подшипники серии 32..-2RS (52..-2RS) способны нести осевые нагрузки в обоих направлениях, а также высокие радиальные нагрузки. Рабочая температура подшипников данной серии от -30°С до +120°С.
Подшипники серии 3300-5300 (ZZ, 2RS)Данные подшипники являются радиально-упорными, то есть они способны нести одновременно радиальную и осевую нагрузку. Подшипники закрыты контактными резинометаллическими уплотнениями (2RS). Альтернативные маркировки уплотнений разных производителей: 2RSR, , 2RS1, 2HRS и др. Сепараторы, в основном, полиамидные. Очень редко устанавливаются стальные сепараторы. Контактные уплотнения (2RS) отлично защищают подшипник от мелкой пыли и влаги, а также от вытекания смазки при работе. Подшипники серии 33..-2RS способны нести большие осевые нагрузки в обоих направлениях, а также высокие радиальные нагрузки. Рабочая температура подшипников данной серии от -30°С до +120°С. Данные подшипники являются радиально-упорными, то есть они способны нести одновременно радиальную и осевую нагрузку. Подшипники закрыты бесконтактными металлическими шайбами (2Z). Альтернативные маркировки уплотнений разных производителей: ZZ, 2Z, 2ZR и др. Сепараторы, в основном, полиамидные. Очень редко устанавливаются стальные сепараторы.
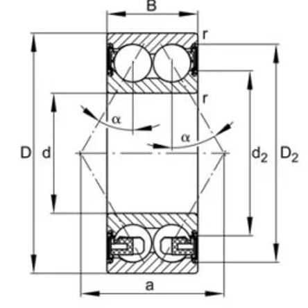
Подшипники серии 38.. (2Z, 2RS)Двухрядный радиально-упорный шариковый подшипник сходен по конструкции c двумя однорядными радиально-упорными шарикоподшипниками, но меньше по ширине. Он способен воспринимать высокие радиальные и осевые двухсторонние нагрузки. Такие подшипники изготавливаются в открытом или закрытом исполнении (с защитными шайбами или контактными уплотнениями с двух сторон). Закрытые подшипники не требуют смазывания.
