
Однорядный радиально-упорный шариковый подшипник
По умолчанию
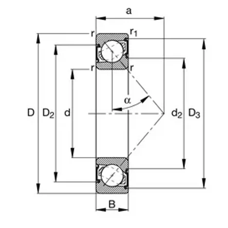
Подшипники серии 70..Однорядный радиально-упорный шарикоподшипник может воспринимать осевую нагрузку, действующую только в одном направлении. Радиальная нагрузка создает осевую силу, действующую на подшипник в другом направлении. Поэтому радиально-упорный подшипник устанавливается в паре с другим подшипником. Наиболее распространены подшипники с углом контакта α в 40°. Также изготавливаются подшипники с углом контакта 15°, 18°, 25°, 30 и другими углами контакта. Чем больше угол контакта, тем больше способность радиально-упорного подшипника воспринимать осевую нагрузку. Благодаря значительному углу контакта, радиально-упорные однорядные шарикоподшипники выдерживают более высокие осевые нагрузки, действующие в одном направлении, чем радиальные шарикоподшипники.
Подшипники серии 72..Однорядный радиально-упорный шарикоподшипник может воспринимать осевую нагрузку, действующую только в одном направлении. Радиальная нагрузка создает осевую силу, действующую на подшипник в другом направлении. Поэтому радиально-упорный подшипник устанавливается в паре с другим подшипником. Наиболее распространены подшипники с углом контакта α в 40°. Также изготавливаются подшипники с углом контакта 15°, 18°, 25°, 30 и другими углами контакта. Чем больше угол контакта, тем больше способность радиально-упорного подшипника воспринимать осевую нагрузку. Благодаря значительному углу контакта, радиально-упорные однорядные шарикоподшипники выдерживают более высокие осевые нагрузки, действующие в одном направлении, чем радиальные шарикоподшипники.
Подшипники серии 73..Однорядный радиально-упорный шарикоподшипник может воспринимать осевую нагрузку, действующую только в одном направлении. Радиальная нагрузка создает осевую силу, действующую на подшипник в другом направлении. Поэтому радиально-упорный подшипник устанавливается в паре с другим подшипником. Наиболее распространены подшипники с углом контакта α в 40°. Также изготавливаются подшипники с углом контакта 15°, 18°, 25°, 30 и другими углами контакта. Чем больше угол контакта, тем больше способность радиально-упорного подшипника воспринимать осевую нагрузку. Благодаря значительному углу контакта, радиально-упорные однорядные шарикоподшипники выдерживают более высокие осевые нагрузки, действующие в одном направлении, чем радиальные шарикоподшипники.
Подшипники серии 718..Однорядный радиально-упорный шарикоподшипник может воспринимать осевую нагрузку, действующую только в одном направлении. Радиальная нагрузка создает осевую силу, действующую на подшипник в другом направлении. Поэтому радиально-упорный подшипник устанавливается в паре с другим подшипником. Наиболее распространены подшипники с углом контакта α в 40°. Также изготавливаются подшипники с углом контакта 15°, 18°, 25°, 30 и другими углами контакта. Чем больше угол контакта, тем больше способность радиально-упорного подшипника воспринимать осевую нагрузку. Благодаря значительному углу контакта, радиально-упорные однорядные шарикоподшипники выдерживают более высокие осевые нагрузки, действующие в одном направлении, чем радиальные шарикоподшипники.
Подшипники серии 719..Однорядный радиально-упорный шарикоподшипник может воспринимать осевую нагрузку, действующую только в одном направлении. Радиальная нагрузка создает осевую силу, действующую на подшипник в другом направлении. Поэтому радиально-упорный подшипник устанавливается в паре с другим подшипником. Наиболее распространены подшипники с углом контакта α в 40°. Также изготавливаются подшипники с углом контакта 15°, 18°, 25°, 30 и другими углами контакта. Чем больше угол контакта, тем больше способность радиально-упорного подшипника воспринимать осевую нагрузку. Благодаря значительному углу контакта, радиально-упорные однорядные шарикоподшипники выдерживают более высокие осевые нагрузки, действующие в одном направлении, чем радиальные шарикоподшипники.
Подшипники серии 74..Однорядный радиально-упорный шарикоподшипник может воспринимать осевую нагрузку, действующую только в одном направлении. Радиальная нагрузка создает осевую силу, действующую на подшипник в другом направлении. Поэтому радиально-упорный подшипник устанавливается в паре с другим подшипником. Наиболее распространены подшипники с углом контакта α в 40°. Также изготавливаются подшипники с углом контакта 15°, 18°, 25°, 30 и другими углами контакта. Чем больше угол контакта, тем больше способность радиально-упорного подшипника воспринимать осевую нагрузку. Благодаря значительному углу контакта, радиально-упорные однорядные шарикоподшипники выдерживают более высокие осевые нагрузки, действующие в одном направлении, чем радиальные шарикоподшипники.
Подшипники серии 70..-2RSОднорядный радиально-упорный шарикоподшипник может воспринимать осевую нагрузку, действующую только в одном направлении. Радиальная нагрузка создает осевую силу, действующую на подшипник в другом направлении. Поэтому радиально-упорный подшипник устанавливается в паре с другим подшипником. Наиболее распространены подшипники с углом контакта α в 40°. Также изготавливаются подшипники с углом контакта 15°, 18°, 25°, 30 и другими углами контакта. Чем больше угол контакта, тем больше способность радиально-упорного подшипника воспринимать осевую нагрузку. Благодаря значительному углу контакта, радиально-упорные однорядные шарикоподшипники выдерживают более высокие осевые нагрузки, действующие в одном направлении, чем радиальные шарикоподшипники.
Подшипники серии 72..-2RSДанные шариковые подшипники являются радиально-упорными, т.е. они способны нести одновременно радиальную и осевую нагрузку (в одном направлении). Подшипники закрыты контактными резинометаллическими уплотнениями (2RS). Угол контакта – 40 градусов. Данные подшипники производит только фирма FAG (Германия) и некоторые китайские производители. Закрытые подшипники заполнены смазкой на весь срок службы. Контактные уплотнения (2RS) отлично защищают подшипник от мелкой пыли и влаги, а также от вытекания смазки при работе. Подшипники серии 72..-2RS способны нести осевые нагрузки только в одном направлении, а также высокие радиальные нагрузки. Рабочая температура подшипников данной серии от -30°С до +110°С.
Подшипники серии 73..-2RSОднорядный радиально-упорный шарикоподшипник может воспринимать осевую нагрузку, действующую только в одном направлении. Радиальная нагрузка создает осевую силу, действующую на подшипник в другом направлении. Поэтому радиально-упорный подшипник устанавливается в паре с другим подшипником. Наиболее распространены подшипники с углом контакта α в 40°. Также изготавливаются подшипники с углом контакта 15°, 18°, 25°, 30 и другими углами контакта. Чем больше угол контакта, тем больше способность радиально-упорного подшипника воспринимать осевую нагрузку. Благодаря значительному углу контакта, радиально-упорные однорядные шарикоподшипники выдерживают более высокие осевые нагрузки, действующие в одном направлении, чем радиальные шарикоподшипники.
Прецизионные шариковые подшипникиПрецизионные подшипники (шпиндельные ) – радиально-упорные подшипники с более высоким классом точности, чем стандартные серии. Как правило, такие подшипники выпускаются с классом точности P4, P3 и P2 (в свободной продаже большая редкость). Прецизионные подшипники выпускаются с тремя углами контакта: 15, 18 и 25 градусов. Тела качения шпиндельных подшипников – шарики, сделанные из подшипниковой стали, либо керамические шарики. Подшипники с керамическими телами качения имеют ряд преимуществ, в сравнении с стальными: выдерживают большую предельную скорость, требуют меньшего смазывания (очень часто подшипники с керамическими шариками не смазывают вовсе, что является ошибкой и приводит к быстрому износу подшипника). Минусом подшипников с керамическими шариками является большой срок поставки (как правило) и высокая цена. Однако, следует признать, что в данном случает цена соответствует качеству: при правильной установке подшипника, правильном техническом обслуживании, использования соответствующей смазки подшипник с керамическими телами качения прослужит значительно дольше подшипника со стальными телами качения. Основные материалы для сепараторов шпиндельных подшипников – текстолит и полиамид.
