
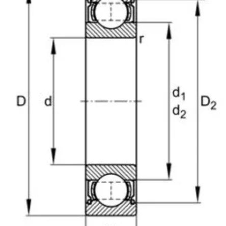
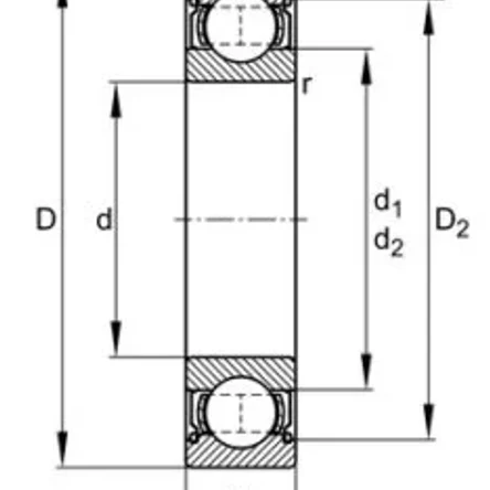
Однорядный радиальный шариковый подшипник
По умолчанию
Серия 60 (открытые, закрытые 2RS и ZZ)Подшипники данной серии выпускают открытыми без смазки, а также закрытыми с заложенной в подшипник смазкой на весь срок службы. Бесконтактные металлические шайбы и контактные резинометаллические уплотнения защищают подшипник от внешних загрязнений, а также от потери смазки. Если в месте, где работает подшипник, много влаги или пыли, выбирайте подшипник с уплотнениями типа 2RS – они контактные и лучше, чем ZZ, защищают от таких видов загрязнений. Если загрязнений немного, а скорости вращения вала высокие, лучше применять подшипники, закрытые металлическими шайбами. Они бесконтактные, что обеспечивает скорость вращения такую же, как у открытого подшипника. Разные производители по-разному обозначают закрытые подшипники. Самые популярные маркировки: ZZ, 2ZR, 2Z – металлические шайбы, 2RS, 2RS1, 2RSH, DDU, LLU, 2RSR, EE – резинометаллические уплотнения. Например: 6003ZZ = 6003-2ZR = 6003-2Z 6005-2RS = 6005-2RSH = 6005LLU = 6005DDU = 6005-2RSR = 6005EE = 6005-2RS1 Данные подшипники являются полными аналогами разных производителей. Сепараторы данных подшипников делают из стали, реже из полиамида. Крупногабаритные подшипники могут комплектоваться латунными сепараторами.
Серия 62 (открытые, закрытые 2RS и ZZ)Подшипники данной серии выпускают открытыми без смазки, а также закрытыми с заложенной в подшипник смазкой на весь срок службы. Металлические шайбы и резинометаллические уплотнения защищают подшипник от внешних загрязнений, а также от потери смазки. Если в месте, где работает подшипник, много влаги или пыли, выбирайте подшипник с уплотнениями типа 2RS – они контактные и лучше, чем ZZ, защищают от таких видов загрязнений. Если загрязнений немного, а скорости вращения вала высокие, лучше применять подшипники, закрытые металлическими шайбами. Они бесконтактные, что обеспечивает скорость вращения такую же, как у открытого подшипника. Разные производители по-разному обозначают закрытые подшипники. Самые популярные маркировки: ZZ, 2ZR, 2Z – бесконтактные металлические шайбы, 2RS, 2RS1, 2RSH, DDU, LLU, 2RSR, EE – контактные резинометаллические уплотнения. Например: 6210ZZ = 6210-2ZR = 6210-2Z 6208-2RS = 6208-2RSH = 6208LLU = 6208DDU = 6208-2RSR = 6208EE Данные подшипники являются полными аналогами разных производителей. Сепараторы данных подшипников делают из стали, реже из полиамида. Крупногабаритные подшипники могут комплектоваться латунными сепараторами.
Серия 63 (открытые, закрытые 2RS и ZZ)Подшипники данной серии могут быть как открытыми без смазки (можно смазывать пластичной смазкой или жидким маслом), а также закрытыми с заложенной в подшипник пластичной смазкой на весь срок службы. Металлические шайбы и резинометаллические уплотнения защищают подшипник от внешних загрязнений, а также от потери смазки. Если в месте, где работает подшипник много влаги или пыли, выбирайте подшипник с уплотнениями типа 2RS, они контактные и лучше, чем ZZ защищают от таких видов загрязнений. Если загрязнений немного, а скорости вращения вала высокие, лучше применять подшипники закрытые металлическими шайбами, они бесконтактные, что обеспечивают скорость вращения такую же, как у открытого подшипника. Разные производители по-разному обозначают закрытые подшипники. Самые популярные маркировки: ZZ, 2ZR, 2Z – бесконтактные металлические шайбы, 2RS, 2RS1, 2RSH, DDU, LLU, 2RSR, EE – контактные резинометаллические уплотнения.
Серия 618 / 68 (открытые, закрытые 2RS и ZZ)Подшипники узкой серии бывают открытыми без смазки и закрытыми, с заложенной в подшипник смазкой на весь срок службы. Закрытые подшипники бесконтактными металлическими шайбами и контактными резинометаллическими уплотнениями защищены от внешних загрязнений, а также от потери смазки. Если подшипник работает в месте, где много влаги или пыли, то лучше выбрать подшипник с контактными уплотнениями типа 2RS - они лучше, чем ZZ, защищают от таких видов загрязнений. При относительно чистых условиях работы и высоких скоростях вращения вала используются подшипники, закрытые бесконтактными металлическими шайбами, которые обеспечивают скорость вращения такую же, как у открытого подшипника. Разные производители по-разному обозначают закрытые подшипники. Самые популярные маркировки: ZZ, 2ZR, 2Z – металлические шайбы 2RS, 2RS1, 2RSH, DDU, DD, LLU, 2RSR, EE – резинометаллические уплотнения В Японии, Европе и Америке такой тип подшипников обозначается по-разному: 618 – обозначение европейских и американских производителей 68 – обозначение японских производителей
Серия 619 / 69 (открытые, закрытые 2RS и ZZ)Подшипники узкой серии бывают открытыми без смазки и закрытыми, с заложенной в подшипник смазкой на весь срок службы. Закрытые подшипники бесконтактными металлическими шайбами и контактными резинометаллические уплотнениями защищены от внешних загрязнений, а также от потери смазки. Если подшипник работает в месте, где много влаги или пыли, то лучше выбрать подшипник с контактными уплотнениями типа 2RS, они лучше, чем ZZ защищают от таких видов загрязнений. При относительно чистых условиях работы и высоких скоростях вращения вала, используются подшипники закрытые бесконтактными металлическими шайбами, которые обеспечивают скорость вращения такую же, как у открытого подшипника. Разные производители по-разному обозначают закрытые подшипники. Самые популярные маркировки: ZZ, 2ZR, 2Z – металлические шайбы, 2RS, 2RS1, 2RSH, DDU, DD, LLU, 2RSR, EE – резинометаллические уплотнения. В Японии, Европе и Америке такой тип подшипников обозначается по-разному: 619 – обозначение европейских и американских производителей. 69 – обозначение японских производителей.
Серия 160 (открытые, закрытые 2RS и ZZ)Подшипники узкой серии бывают открытыми без смазки и закрытыми, с заложенной в подшипник смазкой на весь срок службы. Закрытые подшипники бесконтактными металлическими шайбами и контактными резинометаллические уплотнениями защищены от внешних загрязнений, а также от потери смазки. Если подшипник работает в месте, где много влаги или пыли, то лучше выбрать подшипник с контактными уплотнениями типа 2RS, они лучше, чем ZZ защищают от таких видов загрязнений. При относительно чистых условиях работы и высоких скоростях вращения вала, используются подшипники закрытые бесконтактными металлическими шайбами, которые обеспечивают скорость вращения такую же, как у открытого подшипника. Разные производители по-разному обозначают закрытые подшипники. Самые популярные маркировки: ZZ, 2Z – металлические шайбы, 2RS, 2RS1 – резинометаллические уплотнения. Сепараторы данных подшипников делают из стали, реже из полиамида, крупногабаритные подшипники могут комплектоваться латунными сепараторами.
Серия 622 (закрытые 2RS)Данные подшипники являются радиальными. Они закрыты контактными резинометаллическими уплотнениями (2RS). Уплотнения отлично защищают подшипник от грязи, мелкой пыли, влаги и вытекания смазки, которая уже заложена в подшипник на весь срок службы. Благодаря увеличенной посадочной площади, подшипники широкой серии более долговечны в использовании в сравнении с подшипниками стандартной серии. Альтернативные маркировки уплотнений разных производителей: 2RS1, 2RSR, EE и др.
Серия 623 (закрытые 2RS)Подшипники широкой серии 623..-2RS являются радиальными. Подшипники закрыты контактными резинометаллическими уплотнениями (2RS) и заполнены пластичной смазкой на весь срок службы подшипника. Благодаря увеличенной посадочной площади, подшипники широкой серии более долговечны в использовании в сравнении с подшипниками стандартной серии. Альтернативные маркировки уплотнений разных производителей: 2RS1, 2RSR, EE и др.
Серия 630 (закрытые 2RS)Радиальные шариковые подшипники широкой серии 630..-2RS закрыты контактными резинометаллическими уплотнениями (2RS) сторон. В подшипники заложена смазка на весь срок службы. Увеличенная посадочная площади широкой серии подшипников дает преимущество в долговечности использования в сравнении с подшипниками стандартной серии. Маркировка уплотнений разных производителей может отличаться: 2RS1, 2RSR, EE и др.
