

Двусторонние (двойные) упорные шариковые под...
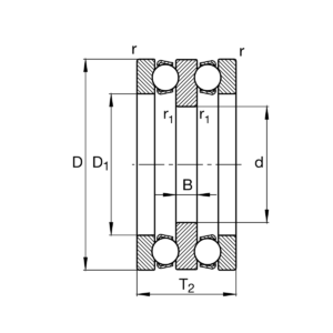
Двусторонние упорные шариковые подшипники, в отличии от одинарных, способны воспринимать осевые нагрузки в обоих направлениях. Такое преимущество достигается, главным образом, за счёт того, что двусторонние упорные шарикоподшипники имеют два ряда шариков, по обе стороны тугого кольца. Конструкция данных подшипников позволяет применять их там, где на вал могут воздействовать осевые нагрузки сразу в двух направлениях. Двойные упорные шарикоподшипники состоят из одного тугого кольца, двух свободных колец и двух комплектов шариков с сепаратором. Конструкция таких подшипников разборная, что позволяет устанавливать его элементы индивидуально, независимо друг от друга. Конструкция свободных колец и комплектов шариков с сепаратором идентична конструкции деталей одинарных подшипников.
