
Однорядный упорный шариковый подшипник
По умолчанию
Одинарные упорные шариковые подшипникиОдинарные упорные шариковые подшипники – одни из самых распространенных упорных подшипников качения. Такой тип подшипников используется в подшипниковых узлах с низкими частотами вращения. Одинарные упорные шарикоподшипники состоят из тугого кольца, свободного кольца и комплекта шариков с сепаратором. Подшипники имеют разборную конструкцию, что обеспечивает их простую установку в узел, т.е. комплект шариков с сепаратором может устанавливаться отдельно от колец. Одинарные упорные шарикоподшипники способны воспринимать только осевую нагрузку и только в одном направлении. Данные подшипники не должны подвергаться радиальным нагрузкам. Подшипники малых размеров могут поставляться с плоской посадочной поверхностью свободного кольца и со сферической посадочной поверхностью. Подшипники со сферической поверхностью свободного кольца могут использоваться совместно со сферическим подкладным кольцом для компенсации перекоса между опорной поверхностью корпуса и вала.
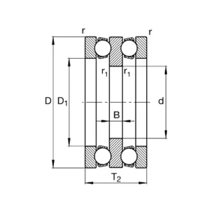
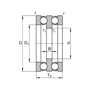
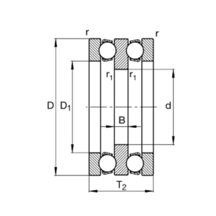
Двусторонние (двойные) упорные шариковые подшипникиДвусторонние упорные шариковые подшипники, в отличии от одинарных, способны воспринимать осевые нагрузки в обоих направлениях. Такое преимущество достигается, главным образом, за счёт того, что двусторонние упорные шарикоподшипники имеют два ряда шариков, по обе стороны тугого кольца. Конструкция данных подшипников позволяет применять их там, где на вал могут воздействовать осевые нагрузки сразу в двух направлениях. Двойные упорные шарикоподшипники состоят из одного тугого кольца, двух свободных колец и двух комплектов шариков с сепаратором. Конструкция таких подшипников разборная, что позволяет устанавливать его элементы индивидуально, независимо друг от друга. Конструкция свободных колец и комплектов шариков с сепаратором идентична конструкции деталей одинарных подшипников.
